zurück zur Startseite

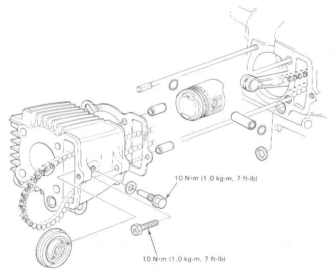
Kolben und Kolbenringe

Der Kolben ist aus der Al-Spezial-legirung SAE 332 hergestellt , die gegen Materialverformung
aufgrund hoher Temperaturen besonders unempfindlich ist und außerdem hervorragende
Verschleißfestigkeitseigenschaften aufweist. Die Kolbenringe müssen außerordentlich verschleißfest sein; sie wurden daher hartverchromt oder naß gehont, um die gewünschten Eigenschaften aufzuweisen.
 

Demontage:
1. Der Kolben wird von der Pleuelstange abgenommen, indem man die Kolbenbolzensicherung heraus nimmt und dann den Kolbenbolzen herausdrückt.
 

Achtung:
Beim Herausnehmen der Kolbenbolzensicherung müssen sämmtliche Öffnungen im Motorblock verschlossen werden, damit die Sicherung nicht in das Kurbelgehäuse gelangen kann.

2. Zum Abnehmen der Kolbenringe vom Kolben verwendet man eine Kolbenringzange, ist eine solche nicht gerade vorhanden, können die Ringe auch von Hand abgemommen werden.
Dabei vorsichtig vorgehen, damit die Ringe nicht brechen.
 

Kolbenringe einsetzen:
Die Kolbenringnuten gründlich säubern und die Kolbenringe mit den Makierungen nach oben
weisend einsetzen
Zur Beachtung:
1. Zum Einsetzen des Ölabstreifrings zuerst den Abstandsring und die Seitenringe einsetzen.
2. Beim Einsetzen den Kolben und die Ringe nicht beschädigen.
3. Nach dem Einsetzen müssen sich die Kolbenringe frei in den Nuten drehen lassen.
4. Nicht den obersten mit dem zweiten Kolbenring verwechseln.

Kolben einbauen:
Den Kolben mit der "In"- Marke zum Einlaßventil zeigend einbauen.
Den Kolbenbolzen und neue Kolbenbolzen-Sicherungsringe montieren.
Zur Beachtung:
1. Stehts neu Kolbenbolzen- Sicherungsringe verwenden.
2. Die Stoßfungen der Kolbenbolzen - Sicherungsringe nicht mit der Kolbenkerbe zur Deckung bringen.

Prüfung:
1. Messen des Kolbens.
Kolbendurchmesser am unteren Kolbenhemd
quer zur Kolbenbolzenachse mit einer Mikrometerschraube messen.


Modell
Sollmaß mm
Verschleißgrenze mm
St50
38,98-39,00
Auswechseln, wenn unter 38,9
ST 70
CT 70
46,98-47,00
Auswechseln, wenn unter 46,9

2. Messung des Kolbenringstoßes.
Kolbenring unten in den Zylinder einsetzen und den Ringstoß mit einer Fühlerlehre messen.



 
Teil
Sollmaß mm
Verschleißgrenze mm
Erster und 
zweiter Ring
0,15-0,35
Auswechseln, wenn
mehr als 0,5
Ölabstreif-
ring
0,15-0,40
Auswechseln, wenn 
mehr als 0,5

3. Messung des Höhenspiels der Kolbenringe. Spiel zwischen Kolbenring und Kolbenringnut mit einer Fühlerlehre messen.



 
Teil
Sollmaß mm
Verschleißgrenze mm
Erster und
Zweiter
Ring
0,015-0,045
Auswechseln, wenn mehr als 
0,12
Ölabstreif-
ring
0,010-0,045
Auswechseln, wenn mehr als 
0,12

4. Kolben- und Ölabstreifringe stehen in vier Übermaßgrößen von0,25 mm bis 1,0 mm zur Verfügung.


 

Zusammenbau:
Zusammenbau in umgekehrter Reihenfolge der Demontage vornehmen.
Beachten:
1. Bei der Montage des Kolbens auf dem Pleul muß die Pfeilmakierung auf dem Kolbenboden
nach unten bzw.nach vorn zeigen.
2. Beim Auflegen der Kolbenringe und beim Einbau des Kolbenbolzens Öl auftragen.
Darauf achten, daß die Ringe sich ohne Widerstand in der Ringnut bewegen lassen und daß die Ringstöße um jeweils 90°gegeneinander  versetz sind.
3. Obenliegende Flächen der Ringe prüfen.
Die Ringe müssen so in den Ringnuten liegen, daß die R-(N- oder T-) Marke nach oben zeigt.
4. Immer eine neue Kolbenbolzensicherung verwenden.

Tip am Rande:
Ist geplant, einen Motor überdurchschnittlich thermisch zu belasten,
kann eine Kürzung der Kolbenringe um weinge 10tel Millimeter
in manchen Fällen Kolbenklemmer entgegenwirken.
Zur Bearbeitung eignet sich eine Diamantfeile.
(Nagelfeile)



 
 

zurück zur Startseite