zurück zur Startseite
Innensechskantschrauben
verwenden, Einbau vertärkter Ölpumpe möglich,
Schneckengang für
Kurbelwellengehäuseentlüftung möglichst zur Hälfte
entfernen.
|
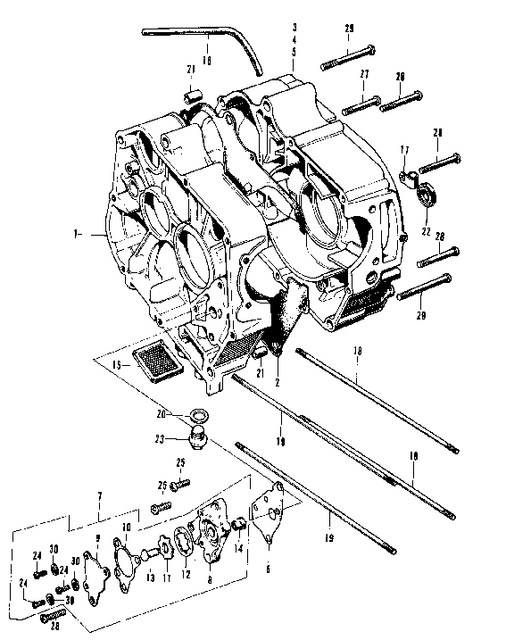
Bild
Nr.
|
Ersatzteil
Nr.
|
Bezeichnung
|
ST 50
|
ST 70
|
|
1
|
11100-045-010
|
Kurbelgehäuse rechts
|
1
|
1
|
|
2
|
11191-045-000
|
Dichtung
|
1
|
1
|
|
4
|
11200-098-000
|
Kurbelgehäuse links
|
1
|
1
|
| |
11200-098-731
|
Kurbelgehäuse links
|
1
|
1
|
|
6
|
15119-035-020
|
Dichtung
|
1
|
1
|
|
7
|
15300-035-000
|
Ölpumpe
|
1
|
1
|
|
8
|
15311-035-013
|
Pumpengehäuse
|
1
|
1
|
|
9
|
15321-035-000
|
Pumpendecke
|
1
|
1
|
|
10
|
15529-035-000
|
Dichtung
|
1
|
1
|
|
11
|
15331-035-000
|
Rotor innen
|
1
|
1
|
|
12
|
15332-035-000
|
Rotor außen
|
1
|
1
|
|
13
|
15382-035-000
|
Pumpenantrieb
|
1
|
1
|
|
14
|
15383-035-000
|
Hülse
|
1
|
1
|
|
15
|
15421-035-010
|
Ölsieb
|
1
|
1
|
|
16
|
95001-50000
|
Entlüftungsschlauch
|
1
|
1
|
|
17
|
16236-045-000
|
Schlauchhalter
|
1
|
|
| |
16236-045-010
|
Schlauchhalter
|
|
1
|
|
18
|
90031-035-010
|
Stehbolzen A
|
2
|
2
|
|
19
|
90032-035-000
|
Stehbolzen B
|
2
|
2
|
|
20
|
90407-259-000
|
Dichtscheibe
|
1
|
1
|
|
21
|
90704-035-000
|
Paßhülse lOx14A
|
2
|
2
|
|
22
|
91203-001-000
|
Wellendichtring
|
1
|
1
|
|
23
|
92800-12000
|
Ablaßschzaube 12mm
|
1
|
1
|
|
24
|
93500-05010-OA
|
Schraube 5x10
|
3
|
3
|
|
25
|
935oo-06oi6
|
Schraube 6x16
|
2
|
2
|
|
26
|
93500-06020
|
Schraube 6x20
|
1
|
1
|
|
27
|
93500-06048
|
Schraube 6x48
|
1
|
1
|
|
28
|
93500-06060
|
Schraube 6x60
|
3
|
3
|
|
29
|
93500-06065
|
Schraube 6x65
|
4
|
4
|
|
30
|
94111-05000
|
Federring 5mm
|
3
|
3
|
zurück zur Startseite