zurück zur Startseite


Position 2, 3 und 4 gibt es bei uns in stark verrippter Ausführung
zum Senken der Öltemperatur.

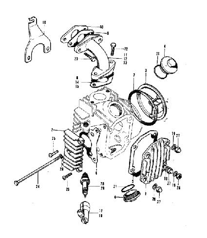
Bild Nr.
Ersatzteil Nr.
Bezeichnung
ST50
ST70
1
12301-035-000
Zylinderkopfdeckel
1
1
2
12331-035-000
Deckel rechts
1
1
3
12341-035-000
Deckel links
1
1
4
12361-035-000
Ventilkappe
2
2
5
12391-035-000
Dichtung
1
1
6
12394-035-000
Dichtung
1
1
7
12395-035-000
Dichtung
1
1
8
16201-041-000
Dichtung
1
 
9
16201-098-000
Dichtung
1
1
10
16211-098-000
Platte
1
1
11
17111-045-710
Ansaugkrümmer
1
 
12
17111-098-000
Ansaugkrümmer
 
1
14
17119-035-000
Dichtung
 
1
18
30700-259-600
Kerzenstecker
1
1
19
90442-035 000
Dichtscheibe 6mm
3
3
20
90443-035-000
Dichtscheibe 6mm
2
2
21
91302-001-020
0-Ring 30,8mm
2
2
22
92000-06020
Schraube 6x20
2
2
23
92000-06025
Schraube 6x25
2
2
24
92000-06112
Schraube 6x112
1
1
25
93500-06018
Schraube 6x18
2
2
26
94001-06000
Mutter 6mm
1
1
27
94021-06000
Hutmutter 6mm
3
3
28
98056-56711
Zündkerze C-6H
1
 
29
98056-57711
Zündkerze C-7H 
 
1
 
06050-041-600
(98056-56711x1

30202-041-015x1 )

1
 
 
06050-098-600
(98056-57711xl 30202-041-015x1)
 
1

zurück zur Startseite