zurück zur Startseite
|
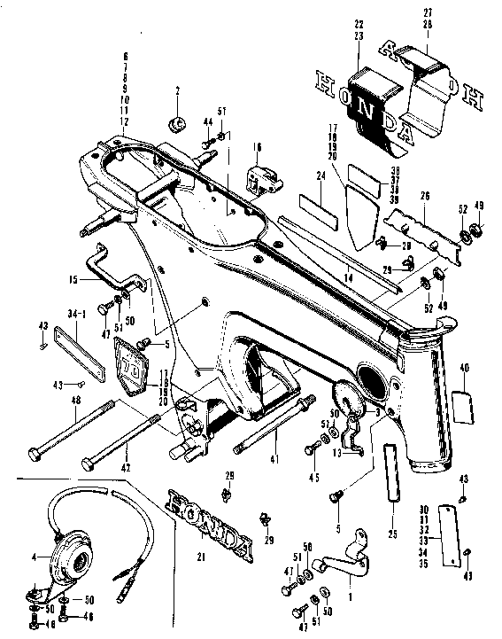
Bild
Nr.
|
Ersatzteil
Nr.
|
Bezeichnung
|
ST
50
|
ST
70
|
|
2
|
32983-011-000
|
Gummi
|
1
|
1
|
|
3
|
32984-098-000
|
Gummi
|
1
|
1
|
|
4
|
38100-098-671
|
Hupe
|
1
|
1
|
|
5
|
50049-046-000
|
Gummistopfen
|
5
|
5
|
|
6
|
50100-098-611CM
|
Rahmen rot
|
|
1
|
| |
50100-098-611CN
|
Rahmen blau
|
|
1
|
| |
50100-098-612CN
|
Rahmen rot
|
|
1
|
| |
50100-098-612CN
|
Rahmen blau
|
|
1
|
|
9
|
50100-098-743CM
|
Rahmen rot
|
1
|
|
| |
50100-098-743CN
|
Rahmen blau
|
1
|
|
| |
50100-098-743CQ
|
Rahmen gold
|
1
|
|
| |
50100-098-743LS
|
Rahmen gelb
|
1
|
|
| |
50100-098-743NL
|
Rahmen blaugrün
|
1
|
|
|
12
|
50100-098-940CM
|
Rahmen rot
|
|
1
|
| |
50100-098-940LS
|
Rahmen gelb
|
|
1
|
| |
50100-098-940NL
|
Rahmen blaugrün
|
|
1
|
| |
50100-098-940WF
|
Rahmen weiß
|
|
1
|
|
13
|
50191-098-670
|
Kabelführung
|
1
|
1
|
|
14
|
50305-098-000
|
Chromleiste
|
1
|
1
|
|
16
|
50710-110-701
|
Helmhalter
|
1
|
1
|
|
17
|
87121-098-600
|
Emblem rechts
|
2
|
|
|
18
|
87121-098-680
|
Emblem rechts
|
|
2
|
|
21
|
87124-098-000
|
Emblem rechts
|
|
1
|
|
22
|
87124-098-670
|
Emblem rechts
|
1
|
|
|
23
|
87124-098 710
|
Emblem rechts Weißedax
|
|
1
|
|
24
|
87125-001-600
|
Aufkleber
|
1
|
1
|
|
26
|
87125-098-000
|
Emblem links
|
|
1
|
|
27
|
87125-098-670
|
Emblem links
|
1
|
|
|
28
|
87125-098-710
|
Emblem links Weißedax
|
|
1
|
|
29
|
87311-516-000
|
Emblemklammer
|
|
4
|
|
30
|
87501-098-610
|
Typenschild
|
|
1
|
zurück zur Startseite