zurück zur Startseite
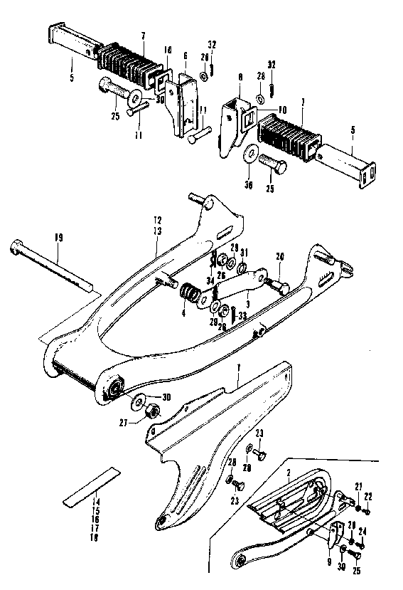
Rastenhalter
Position 8 bitte von der neuen DAX bestellen,
da er
gut überarbeitet wurde. Die Raste sitzt damit tiefer.
|
Bild
Nr.
|
Ersatzteil
Nr.
|
Bezeichnung
|
ST
50
|
ST
70
|
|
1
|
40510-098-OOOCM
|
Kettenschutz rot
|
1
|
1
|
| |
40510-098-000CN
|
Kettenschutz blau
|
1
|
1
|
| |
40510-098-000CQ
|
Kettenschutz gold
|
1
|
|
| |
40510-098-000LS
|
Kettenschutz gelb
|
1
|
|
| |
40510-098-000NL
|
Kettenschutz blaugrün
|
1
|
|
| |
40510-098-000WF
|
Kettenschutz weiß
|
|
1
|
|
3
|
43431-098-000
|
Bremsanker
|
1
|
1
|
|
4
|
43434-250-000
|
Feder
|
1
|
1
|
|
5
|
50701-024-010
|
Soziusraste
|
2
|
2
|
| |
95015-61000
|
Soziusraste
|
2
|
2
|
|
6
|
50701-098-010B
|
Rastenhalter rechts
|
1
|
1
|
|
7
|
50731-024-000
|
Rastengummi
|
2
|
2
|
|
8
|
50711-098-OOOB
|
Rastenhalter links
|
1
|
1
|
|
10
|
95015-91000
|
Scheibe
|
2
|
2
|
|
11
|
50715-024-000
|
Stift
|
2
|
2
|
| |
95015-81000
|
Stift
|
2
|
2
|
zurück zur Startseite