zurück zur Startseite
Auch
die ST 70 funktioniert mit leichtesten Umbauten ohne Batterie und Gleichrichter,
sehen
Sie dazu unsere Technik Seiten unter:
http://www.honda-dax.de/technik.html
|
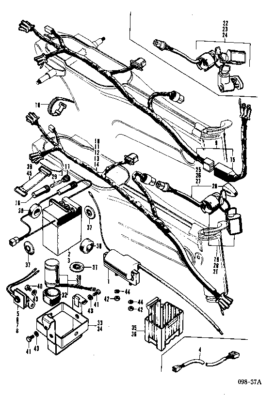
Bild
Nr.
|
Ersatzteil
Nr.
|
Bezeichnung
|
ST
50
|
ST
70
|
|
35
|
50326-098-000
|
Plastikschutz f. Bat.
|
1
|
|
|
36
|
50326-098-940
|
Plastikschutz
|
|
1
|
|
37
|
50327-300-000
|
Gummi A
|
3
|
|
|
38
|
50328-098-670
|
Gummi A
|
2
|
|
|
39
|
50382-045-670
|
Halteband
|
1
|
|
| |
50382-098-000
|
Halteband
|
1
|
|
|
40
|
92000-06008
|
Schraube 6x8
|
1
|
1
|
|
41
|
92000-06010
|
Schraube 6x10
|
2
|
2
|
|
42
|
94001-06000
|
Mutter 6mm
|
2
|
2
|
|
43
|
94101-06000
|
Scheibe 6mm
|
3
|
3
|
|
44
|
94111-06000
|
Federring 6mm
|
2
|
2
|
|
45
|
95012-12000
|
Halteband
|
|
1
|